江苏丽辉五金制造有限公司
首页
关于丽辉
公司简介
企业文化
资质认证
新闻中心
企业新闻
行业讯息
产品资讯
产品展示
系统产品
手摇开窗器
滑轮系列
窗锁系列
执手系列
合页系列
滑撑系列
大门把手系列
传动器系列
提拉窗系统
百叶支架窗
辅件系列
工程案例
营销网络
联系我们
联系方式
客户反馈
EN
输入关键词搜索
搜索您想找的
热搜词汇
辅件系列
百叶支架窗
提拉窗系统
传动器系列
产品展示
Products
产品分类
系统产品
手摇开窗器
滑轮系列
窗锁系列
执手系列
合页系列
滑撑系列
大门把手系列
传动器系列
提拉窗系统
百叶支架窗
辅件系列
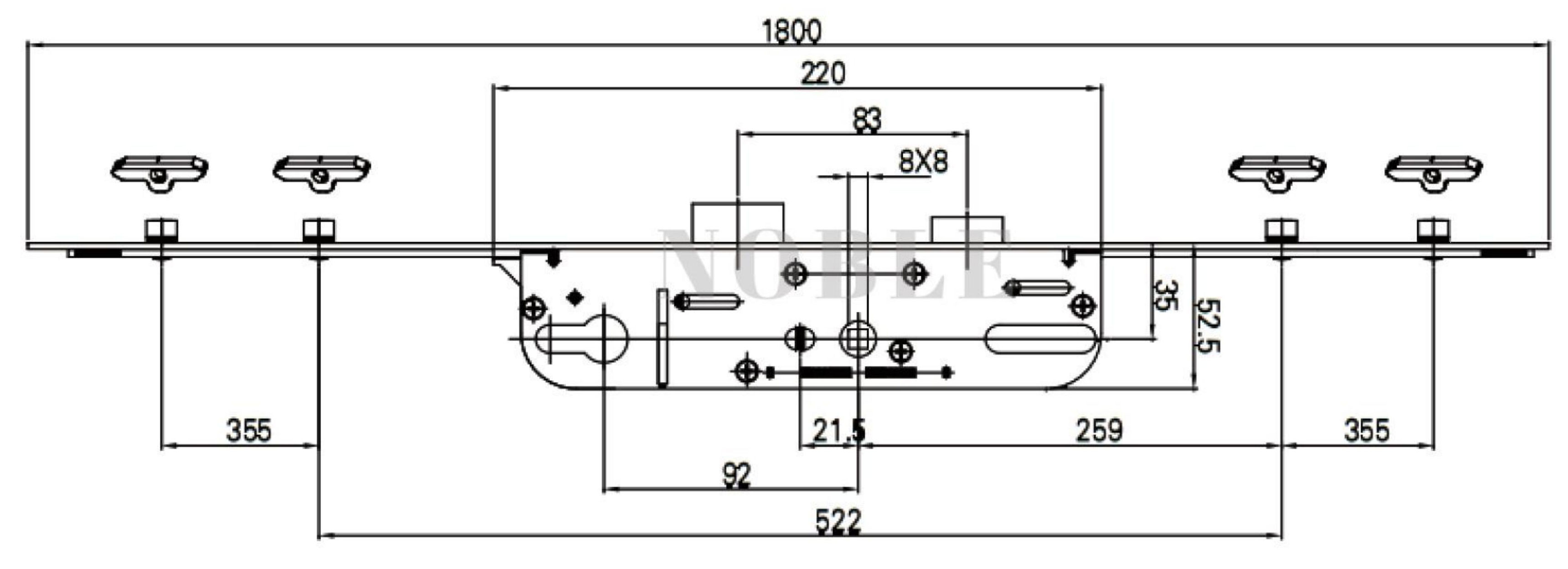
传动器系列
采用蜗杆行星齿轮组实现四角±0.05mm同步闭锁,通过80万次通断疲劳认证。航天级密封腔体设计使核心部件在ICU负压病房、数据中心洁净室等场景达成IP68防护等级与ISO Class 5无尘标准,-40℃至120℃温域内保持2.8N·m恒定输出扭矩,为特种门窗提供原子级可信赖的动力中枢。
NB-ER14-1 point-7.5mm
NB-ER15-1point-15mm
NB-ER04-7.5MM
NB-ER05-15MM
NB-ER05-15MM-NPK-TK
NB-ER10-20MM-WPK
NB-ER06-22MM-WPK
NB-ER06-22MM-WPK-S
NB-ER12-25MM-WPK
NB-ER09-PK30/35
NB-ER08-MZC-PK30/35
NB-MZC-TL92
NB-MZC-TL170
NB-15MZC
NB-MZC-MP
SK06
SK07
SK07B
SK08
SK11